江南下注(集团)有限公司
电话:027-65523899
手机:18086325340
传真:027-65523899
邮编:430070
地址:武汉市东湖开发区光谷大道303号

不用PLC(控制板)的控制系统
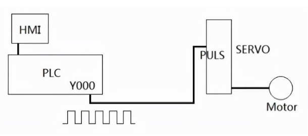
根据客户工艺要求,搭建控制系统、并进行编程、组态,是自动化公司的日常工作。常规控制系统由PLC(控制板、控制器)、伺服(变频器)、触摸屏构成。如下图:

不用PLC(控制板、控制器),能搭建控制系统吗?能,用科威智能伺服。科威智能伺服内置PLC,自带PLC功能,等于PLC+伺服,如下图:

用科威智能伺服构建的控制系统,如下图:

该系统具有节省成本、节省安装工作量、节省空间、控制便利的优势。应用案例:冲床送料机系统。
科威智能伺服冲床送料机系统,不需要PLC(控制板),接线少,一套节省200元,如下图:


上一篇:冲床送料机伺服控制系统!
推荐新闻